楼宇自控系统是将建筑物或者建筑群内的变配电、照明、电梯、空调、供热、给排水、消防、安保等众多分散设备的运行、安全状况、能源使用以及节能管理实行集中监控、管理和分散控制的建筑物管理与控制系统。从而减少设备故障,降低维护和运营成本,提高建筑整体运营水平,提供健康、智能、舒适的环境,达到节能减排、低碳环保的目标。

本篇文章小编为大家整理了楼宇自控系统在大型建筑中的应用和功能解析,内容完整,设计合理,包括新风系统、冷热源系统、给排水系统、送排风系统、照明系统、电梯系统,希望能够对大家有所帮助,建议收藏!
一、设计思路
按照建筑不同层面进行设计
这种设计方式先按楼宇建筑层面划分大系统,再按功能划分子系统。对于大型的商务楼宇、办公楼宇,往往是各个楼层有不同的用户和用途,因此,不同楼层对BAS系统的要求会有所区别,按楼宇建筑层面组织的BAS系统能很好满足要求。这种方案的特点有:
(1)由于是按楼宇建筑层面组织的,因此布线设计及施工比较简单,子系统(区域)的控制功能设置比较灵活,调试工作相对独立。
(2)整个系统的可靠性好,子系统失灵不会波及整个楼宇系统。
(3)设备投资增大,尤其是高层楼宇。
按照建筑不同功能进行设计
这种设计方法是先按功能划分大系统,再按楼宇建筑层面划分子系统。这种系统结构按照整个楼宇的各个功能系统来组织。这种方案的特点有:
(1)由于是按整座楼宇设备功能组织的,因此布线设计及施工比较复杂,调试工作量大。
(2)整个系统的可靠性较弱,子系统失灵会波及整个楼宇系统。
(3)可以节约设备投资。
混合型的楼控系统
这是兼有上述两种结构特点的混合型楼控系统,即某些子系统(如供电、给排水、消防、电梯等)采用按整座楼宇设备功能组织的集中控制方式,另外一些子系统(如灯光照明、空调等)则按楼宇建筑层面组织的分区控制方式。
二、设计步骤
楼宇自控系统设计的主要步骤为:
(1)技术需求分析。根据建筑物的实际情况及业主的要求,依据相关规范与规定,确定建筑物内实施自动控制及管理的各个功能子系统,确认各功能子系统所包括的需要监控和管理的设备。
(2)确定各功能子系统的控制方案。对于需要进行楼宇自控系统的控制功能给出详细说明,明确系统的控制方案及要达到的控制目标,选定实现楼宇自控的系统。
(3)确定系统监控点及监控设备。在控制方案的基础上,确定被控制设备进行监控的点位、监控点的性质,并选用合适的传感部分、执行部分、控制部分等。根据监控中心的功能和要求,确定其硬件设备数量和系统软件。
(4)对控制设备进行汇总,对选配的控制设备、软件进行列表统计。
(5)采用组态软件完成系统、画面及控制组态和软件设计。
三、设计原则
(1)可靠性原则:采用高品质产品,保证产品质量高可靠性、性能的高稳定性,确保在今后较长时间内具备先进性。
(2)实用性原则:系统需要具备完成工程所需要功能的水准,符合工程要求的相关规范,所选设备功能完备、操作简单、维护方便。
(3)兼容性原则:系统遵循开放、兼容的原则,根据技术标准,具备一致性可互换性选定设备,使系统能够拥有灵活性、兼容性、拓展性等特点。
(4)??榛颍合低成杓菩枰悸悄?榛?,严格按照用户需求和国家现行标准,实现功能??榛ㄖ?。
楼宇自控系统在大型建筑中的应用主要有以下几个方面:
一、智能监控和管理
楼宇自控系统可以通过各种传感器、控制器和通信技术,实时监控建筑内的各种环境参数,如温度、湿度、光照、空气质量等,并根据预设的程序自动调节建筑内的空调、照明、通风等设备,以保持舒适的环境质量。
二、节能减排
楼宇自控系统可以通过智能调节设备,减少能源浪费,提高能源利用效率。例如,可以根据天气和室内环境自动调整空调设备的运行参数,以减少能源消耗;可以根据室内光照情况自动调整照明设备的亮度,以节约电能。
三、提升建筑智能化水平
楼宇自控系统是建筑智能化的重要组成部分,通过该系统的应用,可以实现建筑的自动化、智能化管理,提高建筑的管理水平和效率。
四、增强安全保障
楼宇自控系统可以通过监控系统实时监测建筑内的安全状况,如火灾、盗窃等,并在发现问题时及时报警或采取相应的措施,提高建筑的安全性。
五、提升用户体验
楼宇自控系统可以提供更加舒适、便捷的环境,提高建筑用户的满意度。例如,可以通过智能调节空调和照明设备,为用户提供更加舒适的室内环境。
六、实现远程监控和管理
楼宇自控系统可以通过网络通信技术实现远程监控和管理,用户可以通过电脑、手机等设备实时查看建筑内的环境状况和设备运行情况,并远程控制设备的运行。
一、空调新风系统

空调控制的目的就是在最大限度节能与安全生产的条件下,自动调节各种装置的实际输出量,使之与实际负荷相适应,以满足对空气参数(温度、湿度、压力、清新度等)的要求。此外,对建筑物的空调机组、新风机组等,需进行集中启停操作管理,以及各种参数、信息的显示与管理,保证系统 能安全可靠地运行,并能达到节能环保的目标。
系统监测控制内容:回风温度、回风湿度、机组运行状态、故障状态、手动自动状态、过滤网阻塞报警、防冻报警等。
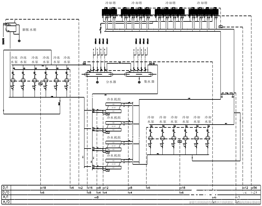
二、冷热源系统
冷源监控

集中式空调系统冷站主要设备包括冷水机组、冷冻水循环系统、冷却水循环系统等,是空调系统中最重要的设备之一。对其进行监控管理,对保障空调系统实现良好的室内热环境控制和系统节能有着重要的作用。
系统监测控制内容:监测冷源系统中有关参数,有供回水温度、回水流量、供回水压力;膨胀水箱高低水位、各水泵的运行状态、冷水机组的运行状态、故障状态、手动/自动状态等。
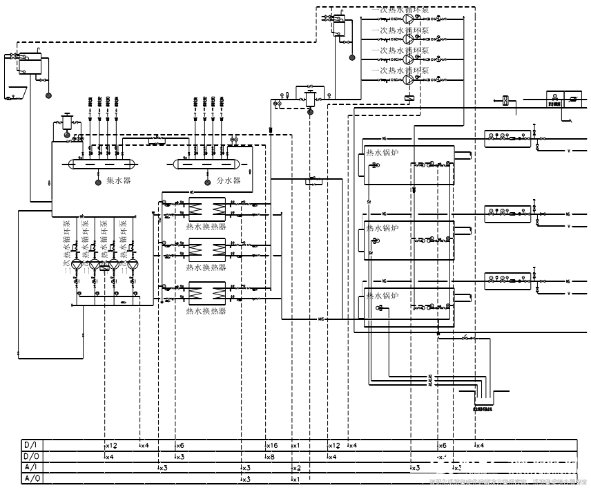
热源监控

供热机组通常由锅炉、热交换器、水泵等组成,在供暖过程中,供热机组中的锅炉将水加热到一定温度,然后通过热交换器与室内的热水系统进行热交换,将热量传递给室内空气。水泵用于循环输送热水,将冷却的水送回银炉进行再次加热。供热机组通过控制锡炉的燃烧量和水泵的流量来实现室内温度的调节。
系统监测控制内容包括锅炉各水泵的运行状态、故障状态、手动/自动状态,膨胀水箱水位等。
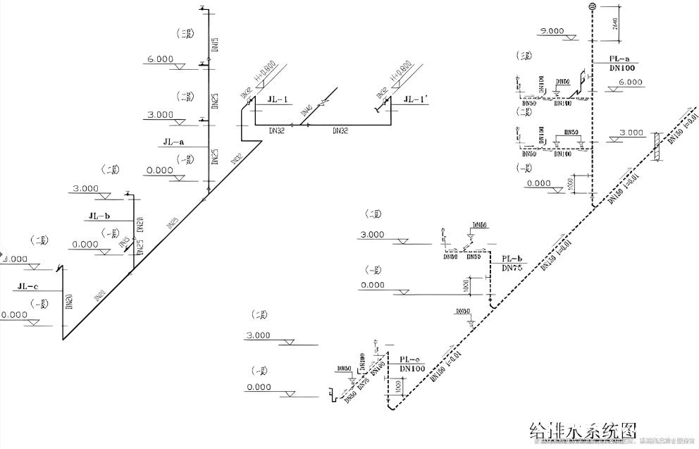
三、给排水系统

建筑给排水系统是大楼的重要建筑设备,包括大厦的生活给水、消防用水系统;对污水进行及时排放的污水系统等。这些系统主要由水泵、水箱、水池、密道、阀门以及处理设备等组成。这些系统要保持正常运行,并保证供水质量、运行节能和安全,就需要对其进行监控与管理。
给水监测
系统远程进行高低位水池(箱)监测。当液位高于启泵液位时,启动水泵,防止倒空。低于停泵液位时,关闭水泵。当液位高于溢流液位或报警液位时,则发出报警信号至BAS系统。系统自身对水泵的运行状态、故障状态进行监控。
排水监测
系统对排水进行远程监测,监测内容为集水坑的超高水位、排污泵的运行状态、故障状态。排水监控系统主要功能包括:
(1)监测:利用水位开关监测集水坑高、低水位及报警水位。监测并显示水泵运行状态和故障状态。
(2)控制:当集水坑水位达到启泵水位时启动潜污泵。停泵控制类似。使集水池水位在停泵水位与启泵水位之间。水泵为1用1备(少部分集水坑中设有潜污泵3台,平时2用1备,高峰时可同时使用),当故障使水位上升到报警水位时则启动两台水泵排水,并发出报警信号至管理系统。
四、送排风系统

排风设备包括送风机、排风机、排烟风机,设备的主要监控内容为:监测送排风设备的开关状态、手动自动状态、故障状态,根据预先编制好的时序启停风机。
五、照明系统

智能照明控制采用全数字、??榛?、分布式的系统结构,对各种照明灯具远程监控,具有灯光亮度的强弱调节、灯光软启动、定时控制、场景设置等功能,达到对各个照明控制箱的参数设定、修改以及场景照明状态监控目的,记录灯具全生命周期,有效控制能源消耗、提高灯具寿命、降低维护和管理成本,达到安全、节能、舒适、高效、人性化的效果。
六、电梯系统

智慧电梯监管基于物联网、大数据、云计算、人工智能AI等技术,采用传感器、物联网终端、智能摄像头和电梯网关等作为硬件支撑,实时采集电梯运行数据以及状态,实现电梯远程状态监管、故障预测、电动车智能检测、危险行为监测、一键报警、广告发布、可视对讲、数据分析等功能。实现远程预警,提升应急救援效率。
目前智能建筑在我国得到了迅速的发展,在新建建筑特别是大型高层建筑中,智能建筑的比例在逐步上升。在不久的将来,更多的前沿信息技术,以及节能、环保、生态等因素,将融入到智能建筑中来。智能建筑将会向智慧建筑、绿色智能建筑方向发展前进。
以上便是楼宇自控系统在大型建筑中的应用和功能解析的全部内容,更多信息资讯,请关注裕乾官网。
更多裕乾精彩文章,点击下方链接立即查看:
扫码加微信咨询产品、免费报价
裕乾(4006569698,www.vwsrts.cn)是一家智慧化系统集成软硬件研发、销售、服务为主的高新技术企业。经过多年发展,公司已成为智慧建筑、智慧工业、智慧环保、智慧电力、智慧水利、智慧农业等领域,具有自主研发能力、自主知识产权与自主品牌一体化的先进解决方案供应商、系统集成综合服务商。