本人女单身电话微信号加100块约3小时上门人到付款 ,全国大圈高端工作室 ,qq二维码免费叫小妹,九品升级毕业区(场所)

裕乾主营楼宇自控系统,智能化集成系统,能耗监测系统,提供能源管理,节能监测,设备监控,智慧电梯,智能照明,智慧银行,智慧消防,安全用电等智能化系统.我们致力于为客户提供高品质,高效率,高安全性的智能化解决方案!

400-6569-698
商务合作

热线电话

400-6569-698

微信咨询
裕乾电子科技微信二维码
新闻banner图

楼宇自控系统概述——打造智能化办公环境的关键

发布日期:2023-11-23 发布人:裕乾  本文关键词: 楼宇自控系统


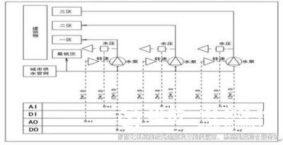
随着科技的不断发展,楼宇自控系统作为一种先进的管理方式正逐渐走入人们的视野。楼宇自控系统是指通过集成控制、自动化和信息技术,对建筑物内部的各项设备进行智能化管理和监控,以提高办公环境的舒适度、安全性和能源效率。下面我们将为您详细介绍楼宇自控系统的概述及其在建筑管理中的重要性。

楼宇自控系统、智能化建筑

首先,楼宇自控系统能够提高办公环境的舒适度。通过智能化的温控系统和照明系统,楼宇自控系统能够根据不同季节、时间和人流情况等因素,自动调整室内温度和照明亮度,以保持室内的舒适度。同时,系统还能根据员工的需求,实现智能化的空调、照明等设备的个性化控制,提高员工的工作效率和满意度。

其次,楼宇自控系统能够提高办公环境的安全性。系统可以通过监控摄像头、门禁系统和火灾报警系统等设备,对办公楼进行全方位的监控和安全防护。一旦发生异常情况,系统能够及时发出警报并采取相应的措施,保障员工和财产的安全。此外,系统还能够实现对人员出入的智能管理,提高办公楼的安全性和管理效率。

最后,楼宇自控系统能够提高办公环境的能源效率。通过智能化的能源管理系统,系统能够实时监测和控制建筑内部的能源使用情况,如电力、水资源等。系统能够根据实际情况进行智能调节,避免能源的浪费和不必要的损耗,从而降低企业的能源成本,提高可持续发展能力。

总结一下,楼宇自控系统作为一种先进的管理方式,已经成为企业打造智能化办公环境的关键。通过提高办公环境的舒适度、安全性和能源效率,楼宇自控系统为企业创造更加智能化的办公体验,提升员工的工作效率和企业的竞争力。


更多裕乾精彩文章,点击下方链接立即查看:

楼宇自控系统:节能减排新利器

智能楼宇自控系统的未来:创造智慧的未来

楼宇自控——让建筑更智能化、更环保

微信二维码

扫码加微信咨询产品、免费报价

裕乾(4006569698,www.vwsrts.cn)是一家智慧化系统集成软硬件研发、销售、服务为主的高新技术企业。经过多年发展,公司已成为智慧建筑、智慧工业、智慧环保、智慧电力、智慧水利、智慧农业等领域,具有自主研发能力、自主知识产权与自主品牌一体化的先进解决方案供应商、系统集成综合服务商。

商务合作

热线电话

156-9231-2052

微信咨询
裕乾电子科技微信二维码